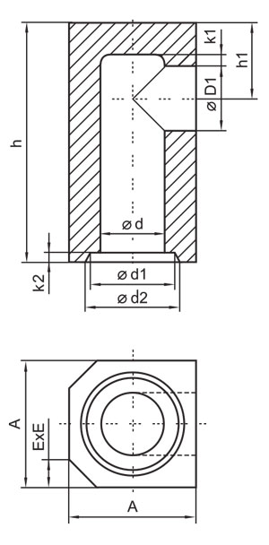
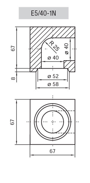
ТРУБКИ сифон кінцеві
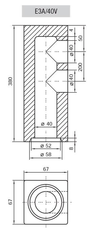
| тип |
d (мм) |
D1
(мм) |
d1 (мм) |
d2 (мм) |
h
(мм) |
h1
(мм) |
A (мм) |
k1 (мм) |
k2 (мм) |
E (мм) |
![]() |
| E5K/40SE | 40 | 40 | 52 | 58 | 200 | 50 | 67 | 0 | 8 | 0 | |
| E3B/40-400E | 40 | 40 | 52 | 58 | 400 | 50 | 67 | 4 | 8 | 0 | |
| CPE255 | 40 | 40 | 52 | 58 | 255 | 50 | 67 | 0 | 8 | 0 | |
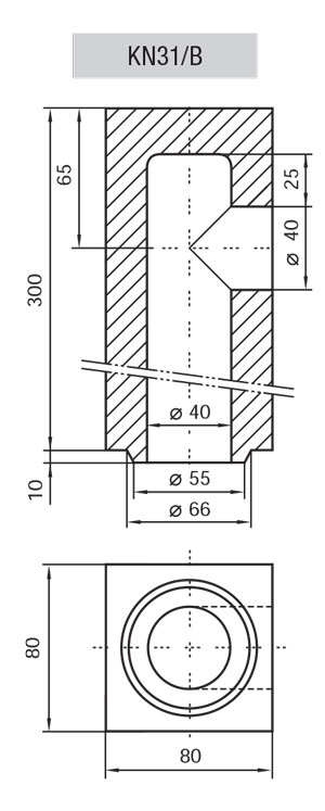
| KN34 | 40 | 40 | 57 | 68 | 240 | 50 | 80 | 10 | 8 | 15 | |
| KN36 | 40 | 40 | 57 | 68 | 350 | 65 | 80 | 15 | 8 | 0 | |
| BV370E/1 | 42 | 39 | 63 | 68 | 370 | 55 | 80 | 5 | 22 | 5 | |
| SC36/100SE | 100 | 100 | 119 | 123 | 300 | 90 | 140 | 0 | 9 | 0 |
![]() |
![]() |
![]() |
![]() |
|
|
| тип | h (mm) |
||||
| KS95/200SE | 200 | ||||
| KS95/330SE | 300 |
![]() |
![]() |
![]() |
||||||
| тип | h (mm) |
|||||||
| LK333 | 200 | |||||||
| LK335 | 250 | тип | h (mm) |
|||||
| LK337 | 300 | LK333D | 250 | |||||
| LK339 | 350 | LK335D | 300 |
![]() |
![]() |
![]() |
![]() |
![]() |
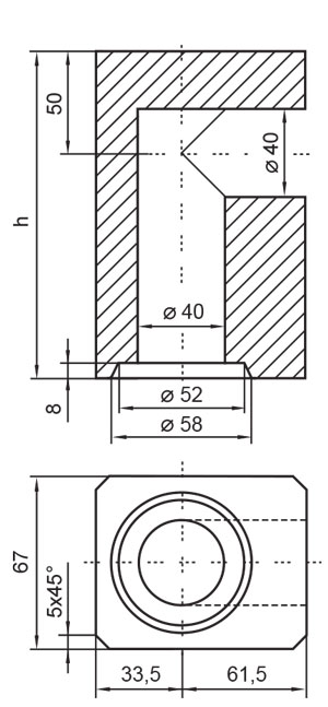
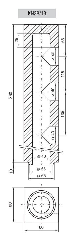
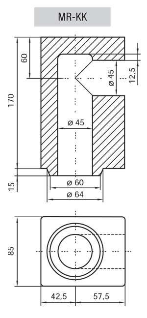
|||||||||||
| тип | d (mm) |
D (mm) |
d1 (mm) |
d2 (mm) |
h (mm) |
h1 (mm) |
h2 (mm) |
A (mm) |
k1 (mm) |
k2 (mm) |
E (mm) |
| KN39 | 40 | 40 | 55 | 66 | 360 | 65 | 115 | 80 | 25 | 10 | 0 |
| LK329A | 45 | 45 | 65 | 72 | 352 | 65 | 85 | 100 | 15 | 11 | 20 |
| LK337/2 | 45 | 45 | 70 | 75 | 300 | 65 | 100 | 100 | 5 | 12 | 0 |
![]() |
![]() |
![]() |
![]() |
![]() |
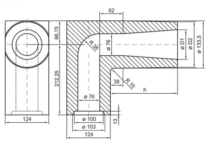
||||
| тип | D1 (mm) |
D2 (mm) |
h (mm) |
|
| ZX2730-1-178 | 98 | 130,5 | 178 | |
| ZX2730-1-206 | 105 | 130 | 206 | |
| ZX2730-1-282 | 102 | 130 | 282 | |
![]() |
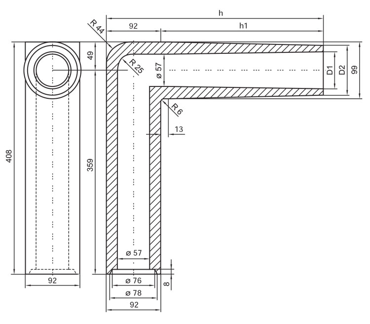
|||||
| тип | D1 (mm) |
D2 (mm) |
h (mm) |
h1 (mm) |
|
| ZX2512-1 | 64 | 86 | 374 | 282 | |
| ZX2512-2 | 62 | 90 | 293 | 201 | |
![]() |
![]() |
|




















